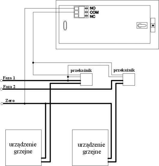
Podłączenie na dwie fazy termostatu do przekaźników i do urządzeń grzejnych.



Cienkie przewody przekaźników to przewody sterujące ( do fazy i termostatu ), grube przewody to przewody prądowe ( do fazy i urządzenia grzejnego )




Nasz Adres

P.P.H.U. "INTO"
57-100 Strzelin   ul. Kamienna 3
tel. fax. 071 39 22 034,   0602 46 54 01

adres poczty elektronicznej: into@into.pl
NIP. 914-000-85-78   Powiatowy Bank Spółdzielczy w Strzelinie   Numer konta 69 9588 0004 0012 6003 2000 0010
najlepiej oglądać w rozdzielczości 1024x768,   polskie znaczki standardzie Windows-1250